We are excited to showcase some of our custom steel systems in a recently completed project located in private isle in Portsmouth, New Hampshire.
The Isle is more than a breathtaking location—it is a place filled with history and character. The residence stands on a privately owned island with strictly limited access. It is surrounded by open water, uninterrupted views, and ever-changing light. This exceptional setting required a distinct architectural solution. The design had to respect the building’s unique past and environment. At the same time, it needed to meet the highest modern performance standards.
Designing and manufacturing custom steel window and door systems for a private island residence introduces a unique set of challenges. Constant exposure to moisture, wind, and salt-rich air requires materials with exceptional durability andcorrosion resistance. At the same time, the client the client expressed a desire for ultra-slim profiles, expansive views, and flawless integration into the facade.
Open Architectural Windows and Doors developed a fully customized solution to meet these demands—combining advanced engineering, precision craftsmanship, and refined aesthetics.
For the residence, we implemented a custom steel Secco system with ultra-slim profiles. Due to the complexity of the openings, a special steel system with an integrated fin was engineered specifically for this project.
A key element was a custom-made stainless steel component with a thermal break. This solution ensures superior thermal performance while maintaining structural strength. The use of stainless steel is one of the most favored materials for waterfront environments—it does not rust, resists corrosion, and guarantees long-term reliability despite exposure to moisture.

To support the large-scale units and ensure maximum structural stability, engineers carefully designed each units to. They calculated every detail to withstand all of the various environmental considerations without sacrificing the minimal aesthetic we were striving for with visual profiles.
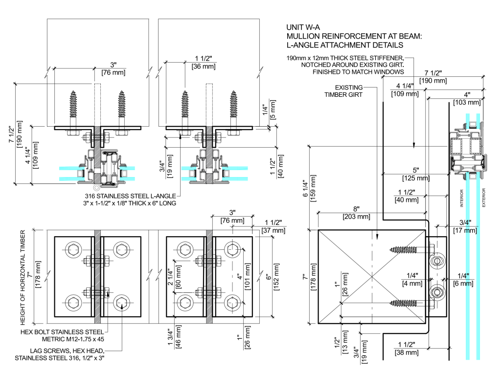
One of the most delicate aspects of this project was the integration of the new steel window and door units into the existing wooden beams. In certain areas, the team fitted the units seamlessly into the original timber structure. They achieved this without altering or replacing any of the load-bearing elements.

This required exact measurements, custom engineering, and meticulous installation. The result is a perfect architectural fit—where custom steel systems coexist naturally with historic structural components.
To preserve clean interior lines and uninterrupted views, the team installed the units directly into the floor. They used concealed anchoring beneath the finished surface. This approach kept all structural connections invisible. As a result, the design created the effect of floating glass and steel.


The project features signature handles by P. Bisschop, chosen for their precision, reliability, and architectural clarity. Designed specifically for high-performance steel systems, these handles ensure smooth operation, long-term durability, and precise mechanical response even on large and heavy units. Their clean, restrained design integrates seamlessly with ultra-slim steel profiles, supporting the project’s minimalist aesthetic.



All custom steel units are equipped with modern European locking systems featuring three-point locking around the entire perimeter. This innovative technology ensures tight, uniform sash compression, significantly improving security, airtightness, and overall performance – especially important for oversized steel units.
Due to the extreme slimness of the customized steel profiles, a standard lock block solution was not sufficient. Our engineering team developed a completely thiner lock block construction specifically for this project.


This custom solution maintains structural integrity, smooth operation, and long-term durability – without increasing profile dimensions. It is an example of how engineering innovation supports minimalist architectural design.
The Lady Isle residence features several oversized custom steel units, including some with dimensions of up to 23’7” x 14’3” and 11’9.5” x 14’3”.

Despite the varying widths of these large units, the placement of the muntins remains perfectly aligned across all openings. Achieving this level of visual consistency requires careful planning and uncompromising attention to detail.
For us, true architectural quality is found in the details most people may never consciously notice -but would feel if they were missing.
This private island project exemplifies Open Architectural Windows and Doors’ approach to high-end custom steel solutions. By combining corrosion-resistant stainless steel, ultra-slim profiles, advanced European systems, and bespoke engineering, we delivered a result that we know will be both timeless and long-lasting.
The Private Isle residence now stands as a unique partnership between history and modern craftsmanship -designed to thrive in its unique environment while offering unobstructed views, architectural purity, and exceptional performance.